电话 : +86 -18159244550 电子邮件 : jony@jyfire.com.cn
电话 : +86 -18159244550 电子邮件 : jony@jyfire.com.cn
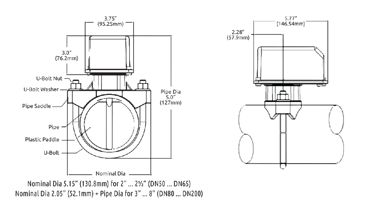
水流指示器是一种关键的消防部件,它可以检测消防喷淋或管道系统中的水流并触发火灾警报,以确保及时的消防安全响应。
材料 :
Ductile Cast Iron工作压力 :
1.2MPa类型 :
Saddle/Thread/Flange/Weld敏感度 :
15-37.5 L/Min接触容量 :
AC220V,5A/DC24V,3A最小起订量 :
100pieces交货时间 :
15days~30days电子邮件 : jony@jyfire.com.cn
产品描述

水流指示器主要有三种类型,可满足不同的需求: 叶轮类型 (使用旋转叶轮进行流量测量), 涡轮类型 (依靠旋转涡轮机) 电磁式 (利用电磁传感器测量水等导电液体的流量)。
特征
产品
ct 参数
| 材料 | 鞍 | 球墨铸铁 |
| 覆盖 | 塑料 | |
| 垫片 | NBR橡胶 | |
| 夹钳 | 钢 | |
| 叶片 | 塑料 | |
| 工作压力 | 1.2兆帕 | |
| 灵敏度(L/Min) | 15≤Q≤37.5 | |
| 电压 | DC24V,0.5A-1.0A | |
| 延迟时间 | 2-90秒 | |
| 尺寸 | 2英寸-8英寸 | |
常问问题
联系我们
立即行动——从源头上杜绝火灾风险!
劲源科技发展有限公司
电话:86-18159244550
邮箱:Jony@jyfire.com.cn
地址:泉州市南安市西梅镇成功科技区三期.
留言
扫描关注微信 :
扫描至 WhatsApp :