电话 : +86 -18159244550 电子邮件 : jony@jyfire.com.cn
电话 : +86 -18159244550 电子邮件 : jony@jyfire.com.cn
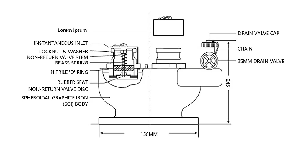
这 2 通破口入口消防栓 是消防系统中的关键连接部件,由耐用的铸铁或球墨铸铁制成。它使消防队能够快速将水带连接到建筑物的消防系统,支持紧急供水以进行灭火。它可以垂直或水平安装,部署灵活。
材料 :
Gate Valve入口适配器材质 :
Cooper Alloy止回阀材质 :
Cooper Alloy帽 :
ABS Plastic链条材质 :
Stainless Steel闸阀 :
Cooper Alloy最小起订量 :
50 Pieces交货时间 :
15-30Days电子邮件 : jony@jyfire.com.cn
产品描述

该消防栓结构科学,配有专用的进出水接口:进水口采用2.5英寸英制即插式铜合金接头(符合BS 1982和BS 336标准),可安全连接水带;出水口采用4英寸/100毫米法兰(符合BS 4504、4英寸表E、ANSI 150#或BS10D表D标准),可与建筑物内部消防供水系统连接。从图纸、模具制作到铸造、数控加工、装配、测试、质检、包装,生产过程遵循严格的步骤,确保产品在关键火灾场景下性能稳定可靠。
特征
产品参数
| 模型 | 温度压力 | 闸阀 | 进口 | 出路 |
| 2BI-100/65 | 24 酒吧 | 1'' 公头带盖 | 4英寸 BS4504 | 2*2.5" BS336 公头 |
| 2BI-100/65 | 24 酒吧 | 1'' 公头带盖 | BS10D 表 D | 2*2.5" BS336 公头 |
联系我们
立即行动——从源头上杜绝火灾风险!
劲源科技发展有限公司
电话:86-18159244550
邮箱:Jony@jyfire.com.cn
地址:泉州市南安市西梅镇成功科技区三期
热门标签 :
留言
扫描关注微信 :
扫描至 WhatsApp :